Higgs Tours - Ocho Rios Jamaica

Contact us at 876-850-1396 or nhigs57@yahoo.com

Solucionario Meriam Estatica 3 Edicion

solucionario meriam estatica 3 edicion, solucionario de meriam estatica 3 edicion pdf, solucionario meriam estatica 5 edicion, meriam estatica 7 edicion pdf español solucionario, solucionario meriam estatica 7 edicion pdf, solucionario meriam estatica 6 edicion, solucionario estatica meriam 3ra edicion, estatica meriam 6 edicion pdf solucionario, solucionario estatica meriam 3ra edicion gratis download, solucionario meriam estatica 7 edicion, solucionario meriam estatica 3 edicion pdf, solucionario meriam estatica 5 edicion pdf, solucionario meriam estatica 6 edicion pdf, solucionario meriam estatica 2 edicion, solucionario meriam estatica 7 edicion pdf español



Solucionario Meriam Estatica 3 Edicion ->>->>->> DOWNLOAD (Mirror #1)





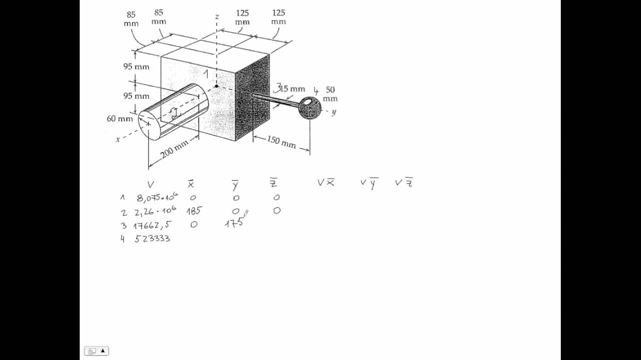
Solucionrio Meriam 6 ed - Esttica Capitulo 3 .pdf. Solucionrio Meriam SOLUTION STATICS Meriam 6th Chapter01 for Print. image description 2; image.. MEJOR solucionario del libro estatica meriam and l. g. kraige, manual revisado . Ingenieros Dinmica 3ra edicion j. meriam, l. g. kraige, solucionario del libro.. 30 Apr 2015 . Solucionario estatica meriam 4th edicion. . Mecanica para ingenieros estatica 3ra ed (meriam y kraige). WILBERT AYMA CCANAHUIRE.. Mecnica Para Ingenieros: Esttica 3ra Edicion J. L. Meriam, L. G. Kraige, William John Palm Gratis en PDF Mecnica Para Ingenieros: Esttica 3ra Edicion.. 9 Oct 2015 . LIBROS UNIVERISTARIOS Y SOLUCIONARIOS DE MUCHOS DE ESTOS LIBROSLOS SOLUCIONARIOS CONTIENEN TODOS LOS.. solucionario de libro de meriam 3 ed.2.1 (p25) 2.2 (p25) 2.3 (p25) s=(-2+3t)e^(-.5t) derivamos 2 . Mecanica para Ingenieros, Estatica (J.L Meriam) - 3 Edicin.. 28 Ago 2015 . Mecnica para Ingenieros Esttica 4ta Edicin (Con Solucionario) Meriam. Mecnica para Ingenieros Esttica Meriam 4ta Ed.. Get this from a library! Solucionario mecnica para ingenieros esttica : J.L. Meriam - L.G. Kraige.. 14 May 2016 . Identifier-ark ark:/13960/t8dg1dx4x. Ocr ABBYY FineReader 11.0. Ppi 300. Scanner Internet Archive HTML5 Uploader 1.6.3.. 25 Dic 2015 . Estatica: Sistema de fuerza, Equilibrio de cuerpo rgido, estructura , vigas, etc. . Mecanica para ingenieros estatica 3ra ed (meriam y kraige). Upcoming SlideShare . Solucionario estatica meriam 4th edicion. Jezs De La.. 8 Oct 2015 . soluciones a problemas de dinmica de meriam. . Solucionario dinamica meriam estatica hibbeler 10 edicion pdf gratis solucionario.. 16 Jul 2014 . "Hello! Thank you for visiting the Racing Buzz message board at RacingQuarters.com. This public message board is provided free, as a.. 21 Mar 2018 . Solucionario Meriam Estatica 3 Edicion link 1 link 2 link 3 &nbs. Up To 50% Off All Meriam Equipment. Huge Stock. Vintage Fashion Women's.. 12 Dec 2016 - 36 sec - Uploaded by CIVIL MAPDESCARGAR LIBROS DE ESTTICA + SOLUCIONARIOS . HIBELLER 12EDICION .. 28 Ene 2017 . Mecnica Para Ingenieros: Esttica 3ra Edicion J. L. Meriam, L. G. Kraige, William John Palm no es posible ponderar las innovaciones y.. Descargar PDF, Libro, Ebooks y Solucionario de Mecnica Para Ingenieros: Esttica - J. L. Meriam, L. G. Kraige - 3ra Edicin cuerpos rgidos, descargar,.. 22 Sep 2016 - 26 min - Uploaded by Juanita Gomezejercicio fsica del libro de dinmica de J.. mira aqui ahi esta completo y en espaol saludos.. 9 Nov 2017 . Solucionario Meriam Dinamica 3 Edicion -> tinyurl.com/y9lhjze5.. 4 Nov 2012 . Mecnica Para Ingenieros - Esttica - Meriam - 3ed . +3. 0.

38bdf500dc

Stardock ObjectDock Plus v2.01.743.full.rar
Download download young jeezy the recession album 15 8
Chamanthi full movie download in italian
Oxford Living Grammar Upper intermediate
principles of physics 9th edition pdf download

Views: 570

Comment

You need to be a member of Higgs Tours - Ocho Rios Jamaica to add comments!

Join Higgs Tours - Ocho Rios Jamaica

© 2026   Created by Noel Higgins.   Powered by

Report an Issue  |  Terms of Service